MANUFACTURING
HYDRABED-30 SERIES
MAIN FRAME
MARRIAGE
FLOOR FRAME
FLOOR SHEETS
SIDERAILS
HEADACHE RACK
REAR ASSEMBLY
DROP HITCH
GENERAL DIMENSIONS
BARE
FINISHING
INSTALLED ACCESSORIES
KITS-REPAIR
LEVEL LOKS
OPTIONS
REEL LIFT
MAIN FRAME
MARRIAGE
FLOOR FRAME
FLOOR SHEETS
HEADACHE RACK
REAR ASSEMBLY
DROP HITCH
GENERAL DIMENSIONS
BARE
FINISHING
KITS-REPAIR
LEVEL LOKS
OPTIONS
HYDRA FEEDER
FABRICATION, HF1200
FABRICATION, HF1800
FINAL ASSY, HF1200
FINAL ASSY, HF1800
OPTIONS
HF CARRIER (3-POINT)
INSTALLATION
PRE 2008 MANUFACTURING
PROSPEAR
MARRIAGE
MAIN FRAME
BARE ASSEMBLY
SIDERAILS
FLOOR FRAME
FLOOR SHEETS
HEADACHE RACK
REAR ASSEMBLY
DROP HITCH
FINAL ASSEMBLY
KITS-REPAIR
HYDRAULIC-ELECTRIC
OPTIONS
HYDRAFLKR
FIXTURES
BASE
RAMP
PUSHER & FLAKING
ADJUSTABLE FRONT
FINAL ASSEMBLY
ARM & PLATFORM EXTENSIONS
COMPONENTS
HYDRAULIC-ELECTRIC
PRE-2008 FLAKER ARCHIVES
HYDRAPHD
FABRICATION
FINAL ASSEMBLY
ARCHIVES
TM-2000
MANUFACTURING
QUICK-TACH
GENERAL
3 POINT HITCH SPECS
ARCHIVES
HYDRA GRABBER
ASSEMBLY DETAILS
MODEL 5678
MODEL 8178
GENERAL
BED-RELATED OPTIONS
FLARES, PAIRS
FLARES, INDIVIDUAL
ACROSS-BED TOOLBOX
DB200 DUMP BOX
ARM EXTENSIONS
SPINNERS
LEVEL LOK
TRUCK & BED WIRING
WORK LIGHTS
OTHER OPTIONS
LISTS (CUT-FASTENER-HOSE)
CUT LISTS
FASTENER LISTS
HOSE LISTS
WIRING LISTS
INACTIVE CUT LISTS
EQUIPMENT, FACILITY & GROUNDS
PLANT SAFETY
BARTON SOLVENTS
BERWICK OIL
BRENNER WELDING
COMMERCIAL INDUSTRIAL SUPPLY
DIAMOND VOGEL
DXP
EARLE M JORGENSEN
FASTENAL
HAWS
KANO LABORATORIES, INC
LINCOLN ELECTRIC
NORFOLK IRON & METAL
PRAXAIR
SHAEFFER OIL
SPRAYWAY
STATELINE PROPANE
ZEP
MSDS
FIXTURES
SAWS
DRILLS, STATIONARY
IRONWORKERS
WELDING
COMPRESSED AIR
PAINT & PREP
HOISTS, RAILS & CLAMPS
FORKLIFTS & LIFTING
AIR QUALITY
ELECTRIC TOOLS & REELS
AIR TOOLS & REELS
STRUCTURE
MISCELLANEOUS
DEMO TRUCKS & TRADE SHOWS
SALES & SERVICE
HYDRA BED
GENERAL DOCUMENTS
QUICK STARTUP GUIDE
INSTALLATION KITS
AG LITERATURE
BED INSTALLATION & TRUCK WIRING
BED MODEL SELECTOR
GENERAL DIMENSIONS
ACCESSORY PRODUCTS
REPAIR KITS & ITEMS
DASH BRACKETS
LEVEL LOKS
OPTIONS
HYDRAULIC-ELECTRIC
HISTORICAL DRAWINGS
COMPETITION
REEL LIFT HYDRA BED
QUICK STARTUP GUIDE
INSTALLATION KITS
LITERATURE
BED & TRUCK WIRING
BED MODEL SELECTOR
GENERAL DIMENSIONS
GENERAL DOCUMENTS
KITS-REPAIR
LEVEL LOKS
OPTIONS
HYDRAULIC-ELECTRIC
HYDRA FEEDER
GENERAL
COUNTERS & SENSORS
HYDRAULIC DRIVE
ELECTRIC DRIVE
INSTALLATION
HF1200 DRAWINGS
HF1800 DRAWINGS
HYDRAULIC MOTOR THEORY
COMPETITION
ARCHIVAL: GENERAL, OPTIONS & MOUNTING
ARCHIVAL: SENSORS & COUNTERS
ARCHIVAL: AUGER, TUBE & DISCHARGE
PROSPEAR
GENERAL
INSTALLATION
FINAL ASSEMBLY
BARE ASSEMBLY
KITS & REPAIRS
HYDRAULIC-ELECTRIC
OPTIONS
APEX & FLATBED
APEX & FLATBED SALES & SERVICE
APEX MAIN FRAME & FLOOR FRAME
APEX HEADACHE RACK
APEX DROP HITCH
APEX SIDERAILS
APEX FLOOR SHEETS
CLASSIC TC FLATBED
HYDRA FLKR
GENERAL
APPLICATIONS
INSTALLATION
FLKR ARM ATTACHMENTS
HYDRAULIC-ELECTRIC
PRE-2008 FLAKER ARCHIVES
HYDRA PHD
GENERAL
EARLY (SERIAL #1019 & LOWER) NICHOLS 110A SERIES MOTORS
CURRENT (SERIAL #1020 & HIGHER) CHAR-LYNN 2000 SERIES MOTORS
PENGO AUGERS
HYDRAULIC MOTOR THEORY
FINAL ASSEMBLY
COMPETITION
ARCHIVES
TM-2000
SALES & SERVICE
MANUFACTURING
QUICK-TACH
GENERAL
3 POINT HITCH SPECS
ARCHIVES
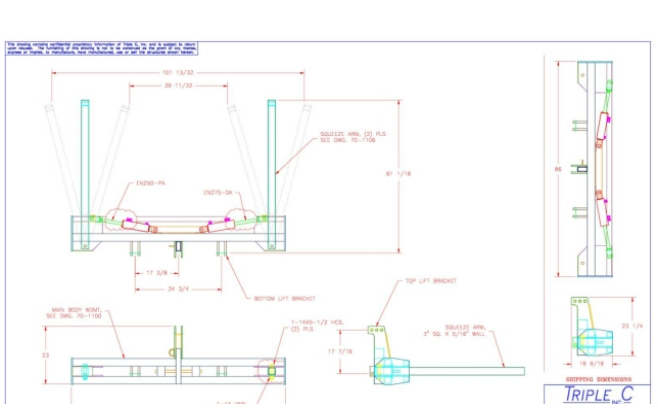
HYDRA GRABBER
ASSEMBLY DETAILS
MODEL 5678
MODEL 8178
GENERAL
BED-RELATED OPTIONS
BD2200 BOLT-DOWN
GENERAL
HYDRAULIC/ELECTRICAL
ASSEMBLY
FABRICATION
OTHER LINKS
COMPETITION
HISTORY TIMELINE
WARRANTIES
DEWEZE
CANNONBALL
BESLER
KROGMANN
BUTLER
HOSWEL
JENSEN
OTHER COMPANIES
MARKETING
DEALER MANUAL
AD EXAMPLES
OTHER LINKS
VIDEOS
RANCHING INDUSTRY
SUSTAINABILITY
TRIPLE C HISTORY
HISTORICAL MARKETING
TRUCK GUIDANCE
TRUCK CUSTOMER ACCESS CIRCUITS
HYDRAULIC VIDEOS
PACKAGING & SHIPPING
HYDRA BED
DASH BRACKET DOCUMENTS
DASH BRACKET LABELS
LEVEL LOKS
CLUTCH PUMP DOCUMENTS
CLUTCH PUMP LABELS
VALVE DOCUMENTS
VALVE LABELS
CYLINDER SEAL KIT LABELS
REPAIR LABELS
SPINNER LABELS
REEL LIFT
LEVEL LOKS
FILTER PARTS BOX
REEL LIFT DOCUMENTS
HYDRA FEEDER
HYDRA FEEDER LABELS
HYDRA FEEDER DOCUMENTS
PROSPEAR
HYDRAFLKR
TM-2000
BED OPTIONS
FLARE DOCUMENTS
FLARE LABELS
ARM EXTENSIONS DOCUMENTS
ARM EXTENSIONS LABELS
RECEIVER HITCH & MISC. DOCUMENTS
RECEIVER HITCH & MISC. LABELS
LEVEL LOK DOCUMENTS
CHEVY LEVEL LOK INSTALLATION INSTRUCTIONS
CHEVY LEVEL LOK DOCUMENTS
CHEVY LEVEL LOK LABELS
DODGE LEVEL LOK INSTALLATION INSTRUCTIONS
DODGE LEVEL LOK DOCUMENTS
DODGE LEVEL LOK LABELS
FORD LEVEL LOK INSTALLATION INSTRUCTIONS
FORD LEVEL LOK DOCUMENTS
FORD LEVEL LOK LABELS
UNIVERSAL LEVEL LOK INSTALLATION INSTRUCTIONS
UNIVERSAL LEVEL LOK DOCUMENTS
UNIVERSAL LEVEL LOK LABELS
PINS, VARIOUS
GENERAL
ARCHIVES
ARCHIVES
ARCHIVES
Button
© 2026
All Rights Reserved | HydraBed
Share by: